上海市松江区佘山镇吉业路528号
邮编:201602
电话:400-021-8555
上海友邦电气(集团)股份有限公司


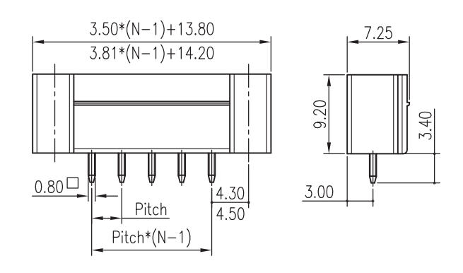
3.81mm间距,单排直针带法兰,连接器公端PCB焊接针座; 额定值:160V,8A; 操作方向:90度(插合方向对PCB板); 02-24位可供; 产品已获得UL认证
类别:插拔式PCB端子台—MC连接器公端PCB焊接针座—UEH-200VW-3.81
简介:
* 标准的接插系统,与业界标杆品牌互配良好,兼容无忧;
* 带法兰设计,与PCB板和插头均能提供额外的固持能力,安全性更高;
* 适用于波峰焊和手工焊接,安装后插合方向与PCB板成90度;
* 按照IEC61984标准设计;也符合UL1059标准;产品已获得UL认证;
* 可插入编码片对公母进行配对编码,防止误插;
* 02-24位可供;平面可定制印字或者贴装不干胶标识条;
* 配套插头有90度和180度和270度3个方向,不同组合适配不同应用场景;
应用:
* 自动化控制信号连接:各类控制器,PLC,变频器,驱动器...
型号命名规则:

| 订货号 | 0 |
|---|---|
| 包装单位(只) | 0 |
| 单件净量(g) | 0 |
| 额定电压(Rated Voltage) | 160V(IEC III/2),300V(UL) |
|---|---|
| 额定电流(Rated Current) | 8A(IEC), 8A(UL) |
| 额定连接容量(Rated connection capacity) | —— |
| 额定冲击电压(Rated surge voltage) | 2.5KV |
| 耐电压(1分钟)(Withstanding Voltage/1Min) | 1600V AC |
| 绝缘电阻(Insulation Resistance) | 500MΩ or more at DC500V |
| 电流承载部件材料和镀层( Material & Plating of Current carrier ) | Copper alloy ,Tin plated(铜合金镀锡) |
| 绝缘材料(Insulation Material) | PA66 UL94 V-0 |
| 接线螺丝(Wire clamp unit Screw),扭矩( torque ) | —— |
| 剥线长度(Wire stripping length) | —— |
| 固定螺钉(Mounting Screw),扭矩(torque ) | M2.5,0.25Nm Max. |