光电耦合 - UDK2-O 32M 24Vdc - 315044

光电耦合,共负电位,输入电压:24V,输入电流:≤2mA,输出类型:三极管输出,污染等级:2,AWG:20-13,输出切换电压:5-48V,宽度91.2mm,厚度380mm,颜色:绿色

生成产品PDF

方便接线,体积小,重量轻。

关键商业数据

订货号 315044
包装单位(只) /
单件净量(g) /

产品图

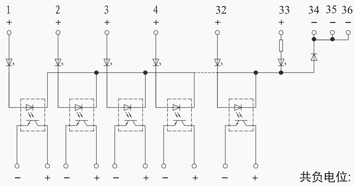
电气原理图

电气原理图

概述

导线截面(mm²) 0.5-2.5
颜色 绿色
材料 PA66
阻燃等级 V0
输入电压(V) 24V
输入电流(mA) ≤2
绝缘材料温度 -40℃~+125℃
输出类型 三极管输出

外形尺寸

厚度(mm) 380
宽度(mm) 91.2
高度(mm) 52.5

技术参数

输出类型 三极管输出
模块 32路
输出切换电流(mA) 50
输出切换电压(V) 5-48
额定冲击电压 4KV
额定负载时的电压降(V) ≤1

环境条件

工作温度(℃) -25℃~+40℃
储存温度(存放/运输)(℃) -30℃~+80℃
相对湿度 5%~85%

标准和规范

连接符合标准 IEC 60947-5-1
污染等级 2
欧盟CE认证
上海友邦电气(集团)股份有限公司
上海市松江区佘山镇吉业路528号
邮编:201602
电话:400-021-8555