继电耦合 - UDK3-RI 110Vac/dc - 325005

继电耦合,输入电压:110V,输入电流:约6mA,连接方式:螺钉式,污染等级:2,AWG:20-12,输出电流:6A,宽度77mm,厚度6.5mm,颜色:灰色

生成产品PDF

方便的插拔式桥接系统;

紧凑设计可在狭小空间内接线。


关键商业数据

订货号 325005
包装单位(只) /
单件净量(g) /

产品图

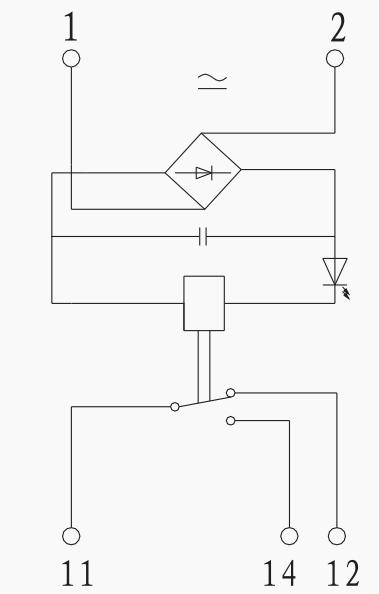
电气原理图

电气原理图

概述

导线截面(mm²) 0.5-4
颜色 灰色
材料 PA66
阻燃等级 V0
输入电压(V) 110V
输入电流(mA) 约6mA
绝缘材料温度 -40℃~+125℃
连接方式 螺钉式

外形尺寸

厚度(mm) 6.5
宽度(mm) 77
高度(mm) 61.3

技术参数

连接方式 螺钉式
连接量 5
输出切换电流(A) 6A
输出切换电压(V) 250V/30V
触点材料 AgNi

环境条件

工作温度(℃) -25℃~+60℃
储存温度(存放/运输)(℃) -30℃~+80℃
相对湿度 5%~85%

标准和规范

连接符合标准 IEC 60947-5-1
污染等级 2
欧盟CE认证
上海友邦电气(集团)股份有限公司
上海市松江区佘山镇吉业路528号
邮编:201602
电话:400-021-8555