上海市松江区佘山镇吉业路528号
邮编:201602
电话:400-021-8555
上海友邦电气(集团)股份有限公司


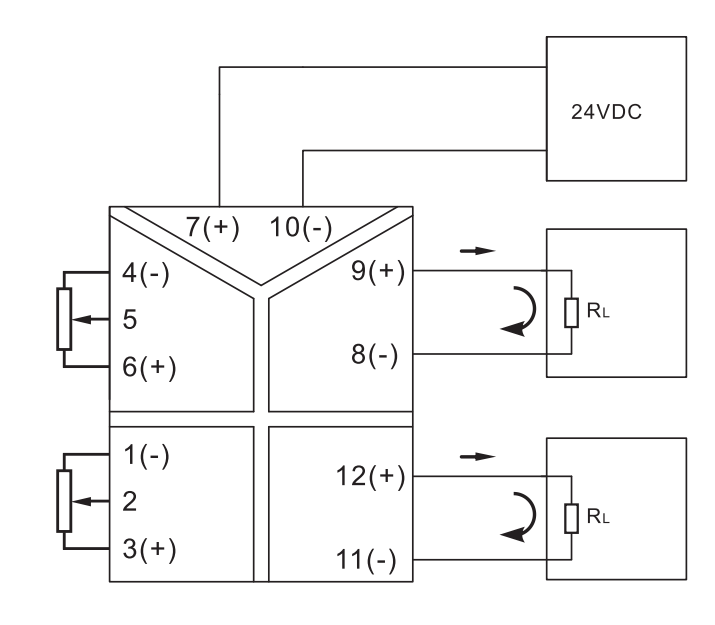
变送器,信号类型:电位器,特征:独立供电,电流输出:4~20mA ,RL≤300Ω,厚度17.5mm,高度114mm,颜色:绿色,通道数:4,安装方式:TH35-7.5、TH35-15
传输精度高.
接线方式灵活, 可以接二线制变送器、三线制变送器或电流源信号, 使用灵活方便.
电源、输入、输出之间完全隔离, 保证高抗干扰性能.
| 订货号 | 451133 |
|---|---|
| 包装单位(只) | / |
| 单件净量(g) | / |
| 颜色 | 绿色 |
|---|---|
| 通道数 | 4 |
| 信号类型 | 电位器 |
| 信号范围 | 0~20KΩ,如有其它阻值订货时指定 |
| 电流输出 | 4~20mA ,RL≤300Ω |
| 输出电压 | 1~5V,RL≥500KΩ |
| 使用环境温度 | -20℃~+60℃ |
| 特征 | 独立供电 |
| 响应时间(ms) | ≤200ms |